WENZHOU PROM TRADING CO.,LTD.
Контакты:Люси Го
Телефон/Wechat/Watsapp:+86 15990723109
E-mail: promtrading@sina.com
Skype:lucysolac
Юридический адрес:КНР, Чжэцзян, г. Вэньчжоу, Демонстрационная зона развития морской экономики Вэньчжоу, улица Куньпэн, Нисянънаньлу, №81
Фактический адрес(адрес офиса и фабрики):КНР, провинция Чжэцзян, г. Вэньчжоу, район Лунвань, Бинхай промышленный район

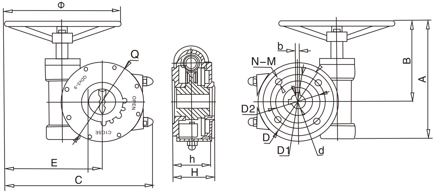
Серия QDX3-S
Ручное устройство для частичного поворота запорной арматуры
Эта серия представляет собой приводное устройство на 90°, которое подходит для шаровых кранов, затворов дисковых, пробковых кранов и других типов запорной арматуры. Редукторы этой серии подходят для широкого спектра условий эксплуатации, обладают широкими функциональными возможностями и различными формами (включая тип маховика, тип маховика с замком, тип звездочки и т.д.), а специальные типы могут поворачиваться на 360 градусов. Существует 9 моделей изделий.

|
Технические параметры |
|||||||||||
|
Модель |
0# |
1# |
2# |
3# |
4# |
5# |
6# |
7# |
7B# |
8# |
9# |
|
Передаточное число |
33:1 |
40:1 |
47:1 |
41:1 |
50:1 |
47:1 |
55:1 |
55:1 |
54:1 |
57:1 |
52:1 |
|
Входной крутящий момент, Н.м |
30 |
40 |
55 |
65 |
75 |
85 |
100 |
110 |
120 |
140 |
150 |
|
Выходной крутящий момент, Н.м |
317 |
510 |
750 |
880 |
1240 |
1570 |
1800 |
1960 |
2300 |
2750 |
3220 |
|
Регулировка предела |
± 5° |
± 5° |
± 5° |
± 5° |
± 5° |
± 5° |
± 5° |
± 5° |
± 5° |
± 5° |
± 5° |
|
Для затвора DN |
50~65 |
80~100 |
125 |
150 |
200 |
250 |
300 |
350 |
400 |
450~500 |
500~600 |
|
Для шарового крана DN |
|
50 |
65 |
80 |
100 |
125 |
150 |
200 |
250 |
250~300 |
350 |
|
Присоединительные размеры |
|||||||||||
|
Внешний диаметр фланец, D |
90 |
100 |
125 |
125 |
160 |
160 |
175 |
210 |
230 |
260 |
300 |
|
Межцентровое расстояние, D1 |
70 |
80 |
100 |
100 |
135 |
135 |
140 |
170 |
200 |
220 |
254 |
|
220 |
|||||||||||
|
Впадина фланца, D2 |
По требованию заказчика |
||||||||||
|
Кол-во и диаметр отверстия, N–M |
4~M8 |
4~M8 |
4~M10 |
4~M12 |
4~M12 |
4~M12 |
4~M16 |
4~M16 |
4~M18 |
8~M16 |
8~M18 |
|
Стандартный диаметр вала, d |
14 |
18 |
22 |
24 |
28 |
34 |
36 |
45 |
52 |
55 |
70 |
|
Дополнительный диамтер вала, d |
16~18 |
16~20 |
20~24 |
28 |
34 |
38 |
32~38 |
38~48 |
60 |
65 |
60~70 |
|
Размер и кол-во плоского штифта, b |
5x1 |
6x1 |
6x1 |
6x1 |
8x1 |
8x1 |
10x1 |
12x2 |
14x2 |
16x2 |
18x2 |
|
Строительная высота, h |
40 |
44 |
52 |
58 |
65 |
68 |
73 |
80 |
93 |
100 |
117 |
|
Размер маховика, Φ |
Φ140 |
Φ160 |
Φ200 |
Φ230 |
Φ250 |
Φ300 |
Φ300 |
Φ350 |
Φ350 |
Φ400 |
Φ450 |
|
Габаритные размеры |
|||||||||||
|
A |
155 |
162 |
190 |
235 |
245 |
272 |
302 |
370 |
395 |
415 |
480 |
|
B |
105 |
105 |
130 |
155 |
160 |
180 |
195 |
210 |
260 |
270 |
300 |
|
C |
160 |
190 |
230 |
265 |
295 |
335 |
377 |
445 |
465 |
510 |
565 |
|
E |
105 |
124 |
160 |
180 |
200 |
223 |
255 |
300 |
310 |
335 |
385 |
|
H |
60 |
64 |
73 |
78 |
86 |
88 |
93 |
105 |
118 |
125 |
142 |
|
Внешний диаметр корпуса, Q |
Φ100 |
Φ110 |
Φ130 |
Φ150 |
Φ170 |
Φ190 |
Φ210 |
Φ250 |
Φ270 |
Φ300 |
Φ345 |
